УИМ являются основным продуктом лабораторий контроля качества по всему миру и являются незаменимым активом для профессионалов в области качества и проектирования.
Они так же распространены, как одуванчики весной, и универсальны, как швейцарский армейский нож. Иногда они собирают пыль, обрекая себя на темный угол, а иногда полируются до зеркального блеска от интенсивного ежедневного использования. Разумеется, речь идет об универсальных испытательных машинах (УИМ).
Почему универсальная? Исторически, силовые испытательные машины назывались тестерами на растяжение, потому что они были способны только на тяговые усилия. Приспособление их к использованию при сжатии потребовало использования механического каркаса, преобразующего растягивающую силу в силу сжатия, что приводит к дополнительным ошибкам измерения. Позже разработали УИМ с добавленной способностью тянуть и толкать без использования адаптеров.
Сегодня термин УИМ используется взаимозаменяемо с «тестером материалов», чтобы отразить их основное использование. УИМ испытывает широкий спектр материалов и узлов, обеспечивая ценные данные для контроля качества. Результаты испытаний в основном используются для характеристики материалов, но также могут быть использованы для испытаний на прочность / провал готовых изделий и сборок.
Устройство универсальной испытательной машины
Универсальная испытательная машина состоит из следующих основных компонентов:
· Тензодатчик
· Тестовая рама
· Кодер/Линейная шкала
· Программное обеспечение для сбора данных
· Захваты и приспособления
1. Тензодатчик
Тензодатчик лежит в основе большинства измерительных систем УИМ. Тензодатчики, приложенные к деформируемой конструкции, растягиваются и сжимаются при загрузке конструкции. Когда датчики деформируются, их электрическое сопротивление изменяется, нарушая баланс в сбалансированной цепи. Этот дисбаланс измеряется, усиливается и обрабатывается программным обеспечением сбора данных. Сигналы преобразуются в цифровую форму, которая может использоваться индикаторами и ПК. Данные представлены в выбираемых единицах измерения, таких как lbF, kgF и kN.
В некоторых базовых УИМ тензодатчик и связанная с ним электроника могут быть заменены силовым датчиком. Измеритель силы объединяет датчик нагрузки и индикатор в одном корпусе. Измеритель силы способен выполнять определенные функции более эффективно, чем ПК, например, захват пиковой силы, высокоскоростной сбор данных и другие функции в реальном времени, где скорость и синхронизация имеют решающее значение.
2. Тестовая рама
УИМ имеют различную нагрузочную способность, что отражается широким спектром применения - от разрыва мешка с картофельными чипсами до разрушения бетонной опоры моста. Они могут быть одноколонными, обычно для более низких нагрузок, или двухколонными для более высоких. Большинство УИМ приводятся в движение одним или двумя ходовыми винтами, в то время как некоторые машины используют гидравлику, особенно для циклических испытаний.
Точность силы больше всего зависит от диапазона и точности тензодатчика. Рамы УИМ могут быть оснащены широким диапазоном силовых нагрузок датчиков. Например, машина с нагрузкой 10 кН может использоваться с тензодатчиком на 500 Н для испытания на растяжение проволоки, а затем переключаться на тензодатчик на 10 кН для испытания на растяжение металлических полос.


3. Кодер/Линейная шкала
По некоторым стандартам требуется измерение отклонения образца в дополнение к измерению нагрузки, например, при испытании на растяжение пружины. В этих случаях встроенный датчик или линейная шкала могут измерять расстояние перемещения, когда винт перемещает поперечину вверх и вниз. Там, где ожидаются небольшие прогибы, такие как испытания металлов на растяжение, экстензометр обеспечивает значительно лучшую точность. Экстензометры устраняют ошибки, возникающие при изгибе рамы и тензодатчика. Экстензометр физически зажимает две точки на образце и измеряет растяжение или сжатие между ними. Более современные технологии включают бесконтактные видео и лазерные методы.
4. Программное обеспечение для сбора данных
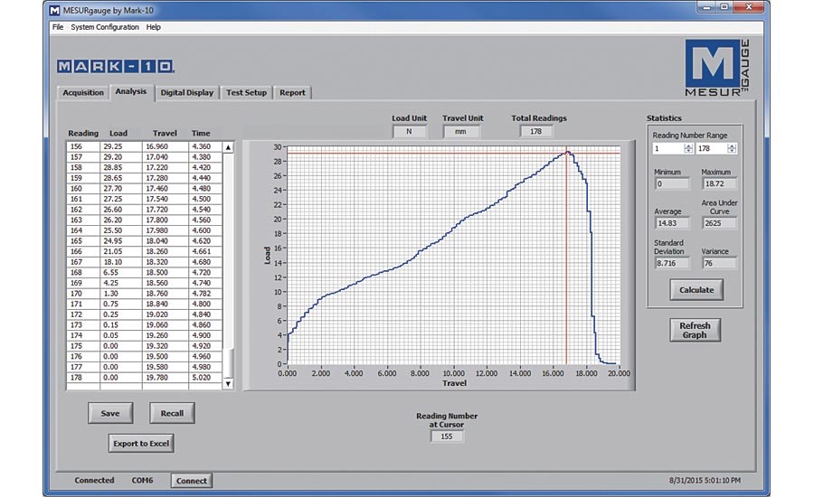
В некоторых случаях данных о нагрузке и расстоянии перемещения достаточно, однако способность УИМ проявляется через программное обеспечение для сбора данных, которое вычисляет результаты презентабельным и полезным способом. Например, испытание на удлинение эластомерной полосы может быть представлено графиком зависимости силы от расстояния или напряжения от деформации. По мере того, как образец достигает и превышает свой предел текучести, дуга кривой изменяется до тех пор, пока не достигнет своей предельной прочности и, наконец, не достигнет своей точки разрушения. Обширная информация может быть получена путем анализа кривой, в том числе скорости, модуля Юнга и многих других значений. Более сложные программные пакеты могут автоматически рассчитывать эти значения и накладывать результаты предыдущих испытаний для сравнения.

5. Захваты и приспособления
Для решения практически неограниченного количества задач было разработано множество стандартных захватов на протяжении многих лет. Обычные типы включают в себя параллельные губчатые захваты для тканей и пленок, клиновые захваты для пластмасс и металлов, сжимающие пластины для пружин и пен и другие. В большинстве стандартных захватов используются адаптеры с проушиной для крепления к тензодатчикам, силовым датчикам, основаниям машины. Этот метод использует штифт и контргайки для предотвращения ослабления захвата и обеспечивает быстрый способ замены захватов для различных испытаний.


УИМ против Силового тестера
Хотя огромная серая зона пересекает границу между силовыми испытаниями и испытаниями материалов, УИМ может решить обе задачи. Его конфигурация, в частности технология измерения расстояния и возможности обработки данных, определяет, является ли он тестером силы или тестером материалов.
Современные силовые тестеры способны выполнять многие функции, исторически зарезервированные для УИМ. Однако важно помнить, что УИМ может выполнять силовое тестирование, но тестер сил не может выполнять тестирование материалов.
Силовые тестеры имеют более низкую стоимость по сравнению с тестерами материалов с одинаковой нагрузочной способностью. Они идеально подходят для специализированных, четко определенных задач, не требующих сложного анализа данных или экстензометра. Однако простота силовых тестеров может ограничить их полезность в среде с разнообразным и постоянно меняющимся набором задач. В таких ситуациях анализ затрат и выгод может перевесить баланс в пользу УИМ, даже если его полные возможности используются не каждый день.
Обслуживание УИМ
Помимо стандартных процедур профилактического технического обслуживания, таких как смазывание ходовых винтов и подшипников, калибровка является наиболее важной услугой для УИМ с целью обеспечения точности измерений. С некоторыми УИМ калибровка может быть выполнена только на месте, на машине. С другими УИМ датчик силы или тензодатчик со связанной электроникой может быть откреплен и отправлен в калибровочную лабораторию. В любом случае, регулярный график калибровки важен для обеспечения точности текущих испытаний.
При надлежащем обслуживании и периодической калибровке УТМ останется верной рабочей лошадкой в течение многих лет.


